New City Administration Building, Ravensburg, Germany
Improving customer service and efficiency was the motivation for the city of Ravensburg to combine various administrative sites in one property. In this context, a protected building, Seestrasse 7, is to be refurbished and supplemented with a new L-shaped addition. On completion, about 80 modern workplaces will allow for close engagement with citizens. The new three-story building has a core-insulated, massive facade and is connected to the existing building with a bridge on the two upper floors. The usable areas are mainly divided into single or double offices. In addition, there is a conference room for up to 34 people, a series of smaller meeting rooms and two mixed-use spaces on the top floor of the new building. Central archives, storage areas, technical and server rooms are in the heated basement.
As the building is in a traffic-restricted zone with existing trees reducing sound levels, the offices can be naturally ventilated via the windows. However, in the offices facing Seestrasse, special window fittings are used which enable trickle ventilation without compromising sound protection.The conference room, all meeting rooms and the mixed-use spaces are equipped with a central mechanical ventilation system to address the expected high occupancy levels. Heating and cooling is provided by a thermally activated floor which can be individually regulated by the occupants. To control solar gains and prevent overheating of the rooms in summertime, external motorized sun shades will be installed.
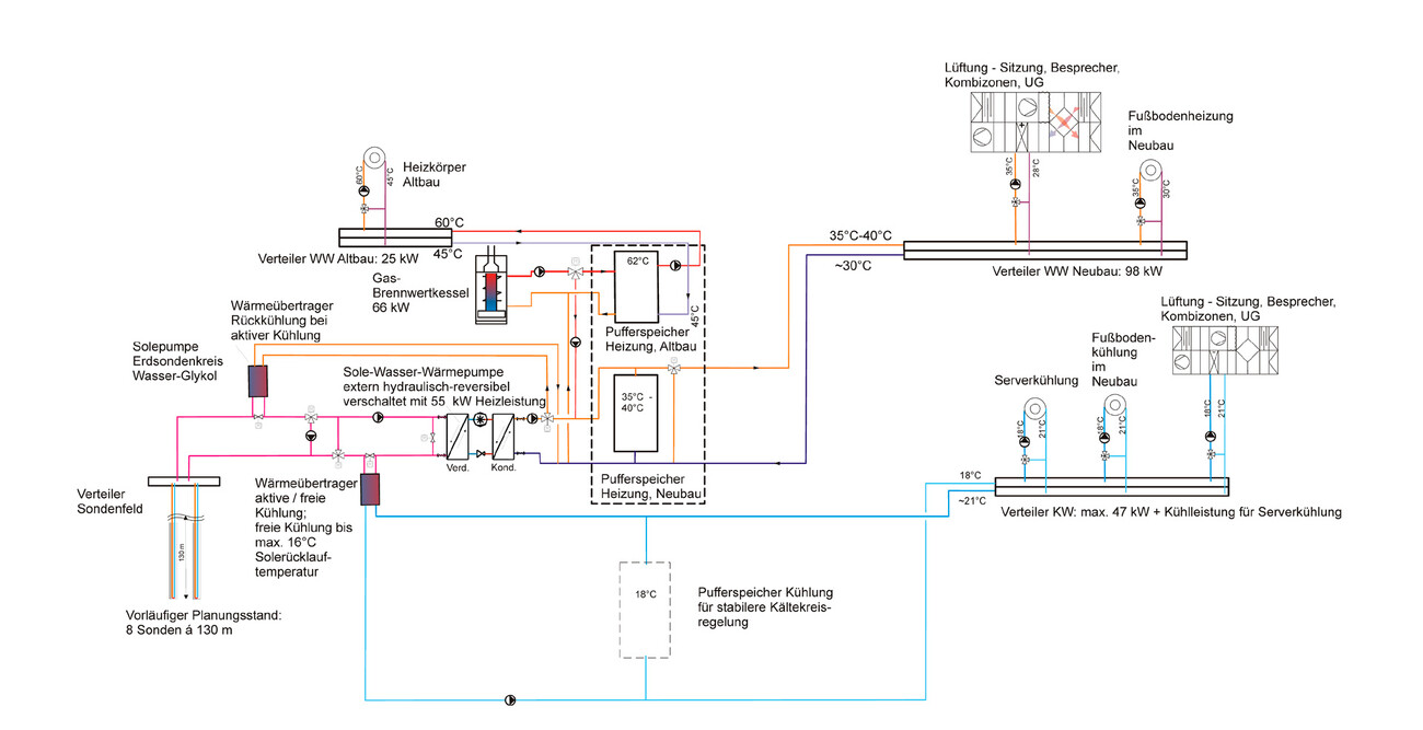
Eight linearly arranged geothermal probes with a length of 130 meters each are combined with a reversible pile-water heat pump and cover the heating and cooling demand of the new building. Heating peak loads will be provided by natural gas boiler, which is located in the refurbished existing building.
A scientific investigation refers to the building with post occupancy evaluation.
Get full paper in English: Master Thesis by Lakshmishree Venu Gopal >
or: En/De bilingual abstact only >

