Neubau Stadtverwaltungsgebäude, Ravensburg, Deutschland
Bürgerfreundlichkeit als auch Wirtschaftlichkeit waren Motivation der Stadt Ravensburg, verschiedene Verwaltungsstandorte in einer Liegenschaft zusammenzulegen. In diesem Kontext war es die Aufgabenstellung, eine denkmalgeschützte Altbauvilla in der Seestraße 7 zu sanieren und mit einem L-förmigen Neubau zu ergänzen. Mit der Fertigstellung stehen rund 80 moderne Arbeitsplätze für den intensiven Bürgerkontakt zur Verfügung. Der dreigeschossige Neubau mit kerngedämmter, massiver Lochfassade ist über einen Verbindungsbau in den beiden Obergeschossen mit dem Bestandsgebäude verbunden. Die Nutzflächen sind größtenteils in Einzel- oder Doppelbüros aufgeteilt. Weitere charakteristische Bereiche sind ein Sitzungssaal für bis zu 34 Personen, kleinere Besprechungsräume sowie zwei Kombizonen in den Dachgeschossen beider Neubauspangen. Im beheizten Untergeschoss befinden sich Zentralarchive, Lagerflächen, Technik- bzw. Serverräume.
Durch die Lage in einer verkehrsberuhigten Zone mit schallminderndem Baumbestand können die Büroflächen rein natürlich über die Fenster belüftet werden. In den zur Seestraße orientierten Büros kommen jedoch besondere Fensterbeschläge zum Einsatz, die eine Spaltlüftung mit erhöhtem Schalldämmmaß ermöglichen. Sitzungssaal, Besprechungsräume sowie die Kombizonen sind bedingt durch die zu erwartenden Personendichten mit einer zentralen, mechanischen Be- und Entlüftung ausgestattet. Das Heizen und Kühlen erfolgt mittels eines thermisch aktivierten Fussbodens, der mit Hilfe einer Einzelraumregelung betrieben wird. Dem sommerlichen Wärmeschutz ist durch einen außenliegenden, motorisierten Sonnenschutz genüge getan.
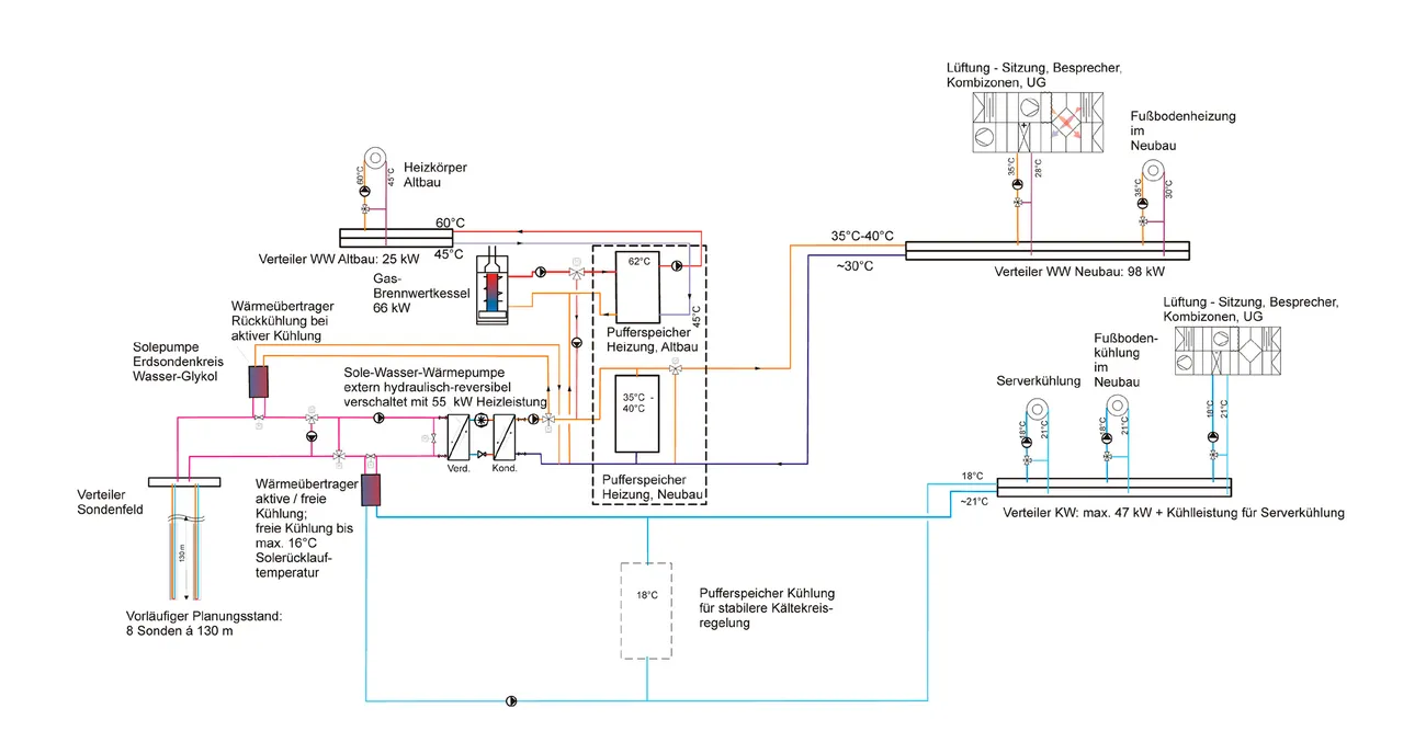
Acht linear angeordnete Sonden mit je 130 m Länge sind mit einer reversibel verschalteten Sole-Wasser-Wärmepumpe kombiniert und decken den Wärme- und Kältebedarf des Neubaus ab. Im Wärmeverbund mit dem Altbau deckt der dort befindliche Gasbrennwertkessel Spitzenlasten im Heizbedarf ab.
Im Verwaltungsgebäude wurde im Rahmen einer wissenschaftlichen Untersuchung eine post occupancy evaluation durchgeführt.
Link zum kompletten Paper von Lakshmishree Venu Gopal auf Englisch >
oder nur der Abstact, bilingual En/De >

